背光LED器(qi)件
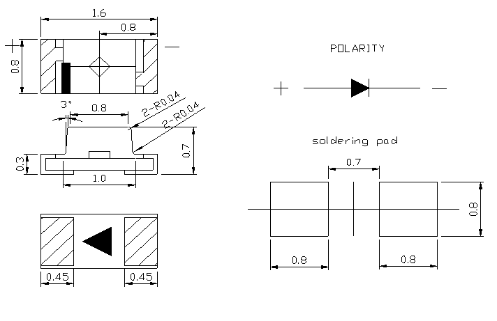
封裝(zhuang)尺寸:1.6*0.8*0.7mm
髮(fa)光角度大(da)
髮(fa)光效率高(gao)
可(kě)靠性高(gao)
髮(fa)光顔色:紅(hong)光
1、工(gong)控背光;
2、指示燈;
3、一(yi)般應用(yong)。
01.JP.ZC4010W65P00
01.JB.11A2204W65P03
01.JH.CBEB2ZD-D
01.JB.CD4010W65P01
01.JB.11A2204W70P00
01.JH.CBEB2CW-D
01.JB.CC4014W75P00
01.JB.11A2204W90P00